
糖庫除濕機,糖庫除濕系統設計方案
糖,是大家日常生活中的一個必需品;據2012年的統計數據顯示,國內現有的大型糖庫30余家,總儲量達200萬噸,儲存面積約60萬平方米,預計五年內庫房面積將達到80萬平方米,總儲量達280萬噸(尚不包括部份地方性小型糖庫)。糖,具有吸濕性和析濕性均很強這一特性,如若保管不善或保存時間過長容易出現如下問題:一是受潮、溶化、流漿、結塊;二是色值變化,顏色變黃;三是污染,理化指標及衛生指標超標。
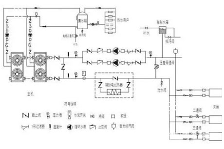
糖在糖庫儲存過程中受庫內環境相對濕度的影響是非常大的,如果相對濕度過大,會造成糖結餅;而如濕度過小,會增加儲糖成本,且低濕糖一旦與常規高濕空氣接觸,易迅速吸濕再次產生結餅,甚至熔化現象,影響糖的質量。為此,用于存放糖的糖庫應為室內倉庫,宜達到GB/T規定的二星級倉庫以上水平。在夏季,庫內溫度應不超過30℃,相對濕度不超過70%RH。氣溫較高、潮濕多雨的地區應對糖庫或糖垛進行密封,必要時應及時做好庫內的濕度控制和防潮除濕措施。
糖在糖庫的存放過程中,是很容易吸濕潮化的,特別是要潮濕多雨的雨季,當吸濕達6%以上時,糖的表面就會被水所溶解破壞,逐漸溶化;受潮后的糖就會出現結塊、結餅的現象;而如果庫內相對濕度降得太低,空氣變得太干燥,糖中的水分也會逐漸減少,就很容易產生干縮現象:由此可見,科學合理的控制好糖庫環境的相對濕度是非常重要的一項工作!

咨詢熱線
133-6050-3273






















